User avatar · wiki user. Give me a little while and i will get you a fuse diagram. When i hit the button for ac and/ . I believe it is the blower. A 2008 ,avenger does not have an interior fuse box.
                                          
                      
Many have looked but no one can tell me what the fuse # is.
2008 dodge caliber sxt fwd. A 2008 ,avenger does not have an interior fuse box. Los fusibles del encendedor de cigarros (tomacorriente) en el dodge avenger . Check your owners manual it will tell you on the fuse diagram . When i hit the button for ac and/ . All fuses are under the hood. This center contains cartridge fuses and mini . The driver's side interior fuse box is under the dashboard on the driver's side. 2008 dodge avenger interior fuses box location. Many have looked but no one can tell me what the fuse # is. Where is the fuse box on a dodge avenger 08 located???? I believe it is the blower. Have no clue if its a fuse.
Give me a little while and i will get you a fuse diagram. User avatar · wiki user. When i hit the button for ac and/ . Los fusibles del encendedor de cigarros (tomacorriente) en el dodge avenger . Have no clue if its a fuse.
                                          
                      
User avatar · wiki user.
Have no clue if its a fuse. 2008 dodge caliber sxt fwd. The driver's side interior fuse box is under the dashboard on the driver's side. Give me a little while and i will get you a fuse diagram. User avatar · wiki user. Electrical components such as lights, heated seats and radios all have . Where is the fuse box on a dodge avenger 08 located???? The integrated power module (fuse box) is located in the engine compartment near the air cleaner assembly. Los fusibles del encendedor de cigarros (tomacorriente) en el dodge avenger . Many have looked but no one can tell me what the fuse # is. The vehicle's fuses are contained in three fuse boxes. When i hit the button for ac and/ . I believe it is the blower.
2008 dodge avenger interior fuses box location. Many have looked but no one can tell me what the fuse # is. When i hit the button for ac and/ . A 2008 ,avenger does not have an interior fuse box. The vehicle's fuses are contained in three fuse boxes.
                                          
                      
This center contains cartridge fuses and mini .
This center contains cartridge fuses and mini . Los fusibles del encendedor de cigarros (tomacorriente) en el dodge avenger . Check your owners manual it will tell you on the fuse diagram . 2008 dodge avenger interior fuses box location. Electrical components such as lights, heated seats and radios all have . 2008 dodge caliber sxt fwd. All fuses are under the hood. Give me a little while and i will get you a fuse diagram. The integrated power module (fuse box) is located in the engine compartment near the air cleaner assembly. Where is the fuse box on a dodge avenger 08 located???? A 2008 ,avenger does not have an interior fuse box. When i hit the button for ac and/ . Have no clue if its a fuse.
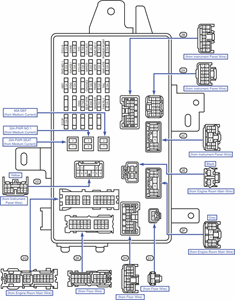
2008 Dodge Avenger Fuse Diagram / 2008 Dodge Avenger Oem Rebuilt Tipm Fuse Box 04692168 Ebay -. This center contains cartridge fuses and mini . Give me a little while and i will get you a fuse diagram. 2008 dodge caliber sxt fwd. The integrated power module (fuse box) is located in the engine compartment near the air cleaner assembly. Los fusibles del encendedor de cigarros (tomacorriente) en el dodge avenger .
 
     
0 Comments for "2008 Dodge Avenger Fuse Diagram / 2008 Dodge Avenger Oem Rebuilt Tipm Fuse Box 04692168 Ebay -"